SRM9030

Contents:
  1. Installation Diagram
  2. Documentation
  3. Head Cable
  4. DB15 Cable
  5. Programming the Radio
  6. Manual
  7. 9030 Plus Head Cables
  8. 9030 Plus Head Control
  9. References

[Top][Home]
Related Pages:
  1. The Simoco SRM9030plus Radio Transceiver
  2. The Simoco SRM9030plus Teardown
  3. The Simoco SRM9030plus Radio Head Unit
  4. Alignment Tool
  5. DMAP - Dual Mobile Application Processor Board
  6. Installing the Simoco P25 CPS or the FPP
  7. Installing Simoco FM CPS or FPP
  8. Making-a-Programming-Cable
  9. Programming an Analogue Radio
  10. Loading Profile Data from csv files
  11. Updating the Simoco SRM9030plus with P25 Functionallity
  12. The P25 Digital Mode
  13. P25 Repeaters Frequencies
  14. Glossary

[Top][Home]

Installation Diagram

Simoco-Installation.webp
Source: Installation-Instructions_TNM-I-E-0005_SRM9000.pdf - TNM-I-E-0005 Issue 6a

[Top][Home]

Documentation

The following documentation is available for use with the SRM9000 series of products:

[Top][Home]
Mic-Handset-Connector.webp

[Top][Home]

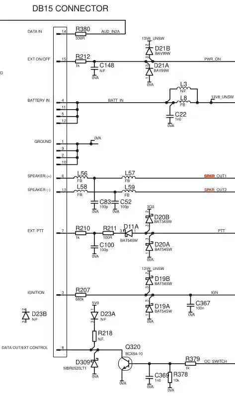
DB15 Cable

The DB15 Plug at the rear of the main unit supplies power and connects the speaker.

There are two speaker options available. A half bridged configuration using a speaker across balanced output SPKR OUT1 and 2, which provides an audio output level of up to 4 watts into 4 ohms. The other option is a full bridge configuration using a high power speaker across SPKR OUT1 and 2 and providing an audio output level of up to 10 watts into 8 ohms.

Simoco-DB15-plug.webp DB15-Ver2-2.webp DB15-Ver2-3.webp DB15-Ver2-1.webp

Simoco-DB15-pinouts.webp

DB15-pinouts.webp

DB15 Schematic: DB15-Schematic.webp

[Top][Home]

Programming the Radio

The radio is a SRM9000TU UHF 400 to 480 Mhz. The radio will not program when the programming cable is connected via the head. The head has to be unpluged and the the programming cable must be plugged directly into the main radio body.

Barc97-Info.webp

[Top][Home]

Manual

SRM9000 Product Manual - 2007-04-04 Vers 1.6 Page 3 of 102 TMC Radio Pty Ltd - Doc. TNM-P-E-0001 :
https://radarc.org/wp-content/uploads/2016/12/TNM-P-E-0001_SRM_Product_Manual_V1_6.pdf



[Top][Home]
Head to Body : Head to Microphone Handpiece SMR 9030Plus Head: https://moyle.net.au/simoco-srm9000-series-radios/



[Top][Home]

9030 Plus Head Control

Simoco-9030Plus-Head-Control.webp

[Top][Home]

References

THis is a very useful reference site with download and instructions.

RADARC - Reading And District Amateur Radio Club: https://radarc.org/2016/12/12/simoco-radios/

[Top][Home]
Glenn Lyons VK4PK
glenn@LyonsComputer.com.au
Ver:gnl20240101 - pre published v0.9