Remote HF Board

Contents:
  1. Github Repository
  2. Kicad Installation
  3. Node-Red
  4. Possible Enhancements
  5. Schematic
  6. Bill of Materials
  7. Considerations for the Gas Dischard Tubes
  8. Errata 1
  9. Errata 2
  10. Construction Photographs

[Top][Home]
assembled-board.webP
Testing Ran a 100W through the board into a dummy load. No issues with SWR 160m to 6m.

[Top][Home]

Github Repository

Remote HF PCB and Node Red Website for WFView, SteppIRAntenna and Yeasu Rotator:
............................................................................................................................................................................................................................................. git clone https://github.com/mlanagan/RemoteHF.git



[Top][Home]

Kicad Installation

Kicad V7.0 installation on Ubuntu:
https://www.kicad.org/download/details/ubuntu/

Alternatively, follow these inastructions:

The Interactive Html Bom tool Plugin is available here:
https://github.com/openscopeproject/InteractiveHtmlBom/wiki/Installation

  1. Download the source archive from the above site, and unzip to a temporary directory.
  2. Run up Kicad and select form the menu Tools -->External Plugins -->Open Plugin Directory.
  3. A directory will open, in my case it is "~/.local/share/kicad/7.0/scripting/plugins".
  4. Copy the unzipped directory, "InteractiveHtmlBom-master", into the directory.
  5. Then "Generate Interactive HTML BOM" will appear in the Tools menu.
  6. Generate a interactive BOM.


Add the this custom worksheet file vk4mwl.kicad_wks to this directory to create:
".local/share/kicad/7.0/template/vk4mwl.kicad_wks". Paste the following into the file.


[Top][Home]

Node-Red

Node-Red is required for software developemnt:
The Node-RED Platform

[Top][Home]

Possible Enhancements

  1. Next version could have an SWR bridge and automatically shut down the transmitter if the SWR is out for range.
  2. A connection for a dummy load.
  3. Given there is a Pi, an 8" colour LCD with some sort of UI
  4. Relays and I/O to control startup and shutdown of radio equipment such as transmitters and amplifiers.
[Top][Home]

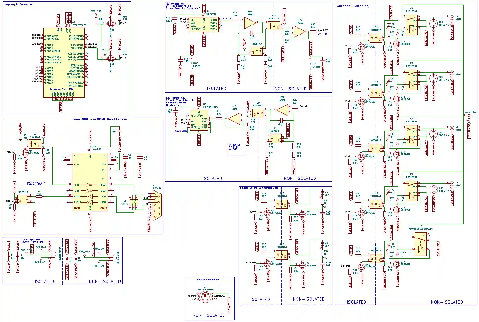
Schematic

20230907-RemoteHF-Schematic.webp
Source: 20230907-RemoteHF-Schematic.pdf

[Top][Home]

Bill of Materials

Remote Radio Control BOM [html]

[Top][Home]

Considerations for the Gas Dischard Tubes

2053 Series Light Duty 2-Electrode Miniature Gas Discharge Tube:

https://www.bourns.com/docs/Product-Datasheets/2053.pdf

The GDT on the antenna outputs come in 350/3Kv. Is this value the best choice?

[Top][Home]

Errata 1

RemoteHF-errata-1.png

There is a link missing on the board between pin 1 and 2 on U7. A solder blob or jumper on those two pins will be required.



[Top][Home]

Errata 2

The mounting holes on the raspberry pi side have no copper so they are isolated from the case. Remove the solder mask with flat blade screwdriver so that the copper is exposed on the bottom side for these four holes. This will link the case to the non-isolated ground and all the antenna grounds through the case.

RemoteHF-errata-2.png

[Top][Home]

Construction Photographs

assembled-1-cut.webP
Remote-HF.webP
JLCPCB.webP

[Top][Home]
Glenn Lyons VK4PK
glenn@LyonsComputer.com.au
Ver:gnl20230625 - pre published v0.9